Wolverine Din Rail mounted 2 Pole RCBOs (WORCBO series) offer fast and flexible installation for safety of personal and equipment protection applications in domestic and small commercial environments as well as circuit protection up to 6kA. Being fully certified in accordance with standard AS/NZS 61009-1 and IEC 61009-1 (Residual current circuit breakers for household and similar purposes). Providing protection against short circuit, overcurrent situations and earth faults that may occur in equipment as well as reduce the effects of electric shock and save lives by cutting off supply if they have measured an imbalance between the live and neutral cables above the sensitivity level where current flowing in the live and neutral cables becomes imbalanced from current flowing to earth.
They provide fast and flexible installation with easy-to-use terminals, din assembly and tongue style busbar suitability. The Wolverine 2 Pole RCBO’s are available in C curve tripping characteristic
and ideal for applications for protection of resistive and inductive loads with low inrush current is suitable for protecting distribution lines, lighting lines and motor circuits with high connecting current, equipment in office and residential buildings. Available in single module with non-directional orientation input (either input Line/Neutral from top terminals or from the bottom) for easy flexible installations.
The Wolverine RCBOs are available in type A sensing characteristic only and ideal for applications for protection of general everyday use and available in 30mA operating current. Type A RCBO’s are sensitive to both sinusoidal currents and “unidirectional pulsed” currents, which may be present in modern electrical systems with electronic devices for rectifying the current or similar equipment.
They are ideal for protection in applications for electronic components, inverters, class 1 IT & multimedia equipment, power supplies for class 2 equipment, lighting controls, induction hobs and washing machines.
Features:
• Earth leakage protection
• Overload and short circuit protection
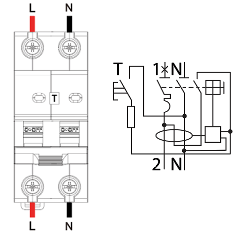
• Non-Line / Load sensitive allows the electricians to either “input from the top and output from the bottom” or “input from the bottom and output from the top” without issue and this provides greater versatility and ease of installation• Compact SLIM module design, allows for more RCDs/MCBs to be installed in the one enclosure
• True Double Pole Disconnection in a Single Module RCBO
• Double pole switching for complete isolation of faulty circuits
• Neutral pole switching significantly reduces the installation and Insulated openings for easy busbar installations
• Compatible with multiple types of screwdrivers with combination head screws
• Meets ESV Additional Testing & verification requirements for RCBOs
• Complies with AS/NZS 61009-1


.png)
























